0519-88963888
0519-88127888
Jianda dry engineering
產品概述
我公司制造的JRF系列立筒式金屬體燃煤間接加熱熱風爐產品,是由中國農業工程設計院設計,經過多次更新換代達到了國內較高水平,并于一九八七年二月獲得國家專利技術產品,該爐采用了集燃燒與換熱為一體,以爐體高溫部位進行換熱的新型間接加熱技術。
概述:
我公司制造的JRF系列立筒式金屬體燃煤間接加熱熱風爐產品,是由中國農業工程設計院設計,經過多次更新換代達到了國內較高水平,并于一九八七年二月獲得國家專利技術產品,該爐采用了集燃燒與換熱為一體,以爐體高溫部位進行換熱的新型間接加熱技術。煙和空氣各走其道,熱效率高達65%-80%,升溫快、體積小、安裝方便、使用可靠,且價格低。采取了耐高溫措施,從而使其壽命比列管式熱風爐大大提高,輸出熱風溫度可達300℃,采用特殊設計輸出熱風溫度可達500℃-800℃,同時采用了煙氣縱向沖刷散熱片和負壓吸式排煙方式,換熱部位不積灰塵,無須清理、散熱性能穩定,可使用各種燃煤或柴作燃料,并配有二次進風裝置,燃燒完全。該爐的各項技術經濟指標均達到了國內較高水平。
該爐為通用性熱風加熱裝置,與各種物料的干燥設備配套使用。廣泛用于糧食、種子、飼料、果實、脫水蔬菜、香菇、木耳、茶葉、煙葉等農產品、食品、醫藥藥品、化工原料、輕重工業產品的加熱除濕,還可用于各種設施的加熱以及庫房除濕等。
目前該爐已形成十個產品,三大系列,其輸出熱量為:
| 1.045×105KJ/h | 1.672×105KJ/h | 3.344×105KJ/h |
| 6.270×105KJ/h | 1.254×106KJ/h | 1.672×106KJ/h |
| 2.508×106KJ/h | 3.344×106KJ/h | 6.688×106KJ/h |
| 8.36×106KJ/h |
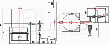
安裝示意圖:

技術參數:
| 規格\型號 | 輸出熱量(KJ/h) | 輸出風量(m3/h) | 輸出溫度(℃) | 耗煤量(kg/h) | 煙氣引風機型號 |
| JRF4-2.5 | 1.045×105 | 1500-560 | 60-200 | 10-12 | 炊事用鼓風機80-100W |
| JRF4-4 | 1.672×105 | 3500-930 | 60-200 | 14-17 | 炊事用鼓風機200-300W |
| JRF4-8 | 3.344×105 | 5600-1480 | 60-200 | 18-24 | Y5-47 NO2.8C 1.1kw |
| JRF5-15 | 6.270×105 | 12000-2160 | 60-250 | 40-45 | Y5-47 NO4C 2.2kw |
| JRF5-30 | 12.54×105 | 25000-4330 | 60-250 | 80-85 | Y5-47 NO4C 3.0kw |
| JRF5-40 | 16.72×105 | 28000-5600 | 60-250 | 115-125 | Y5-47 NO4C 3.0kw |
| JRF5-60 | 25.08×105 | 45000-8660 | 60-250 | 160-170 | Y5-47 NO4C 5.5kw |
| JRF6-80 | 33.44×105 | 83000-12500 | 60-350 | 240-250 | GY2-1 11KW |
| JRF6-160 | 66.88×105 | 134400-23000 | 60-350 | 480-490 | GY4-1 18.5KW |
| JRF6-200 | 83.60×105 | 170000-28000 | 60-350 | 600-620 | GY4-1 18.5KW |
注:輸出溫度指輸入溫度在20℃時的溫升值。
輸出溫度高于300℃時,熱風爐內壁采用不銹鋼等耐高溫材料制造,價格另議。
煤的燃燒按22990KJ/kg計算。
設備布置圖來函備索。
輸出溫度在特殊設計時可達500℃-800℃,價格另議。
JRF系列燃煤熱風爐是各類干燥設備中配套的熱源設備,應用于我們所有的客戶中。
烘干機械品牌排行榜前十名-烘干機械十大品牌排行榜榜首中國行業優選榜聯合《發現品牌》欄目組、品牌強國優選工程等權威組織共同發起的年…